服務熱線:400-606-8757一對一提供改性塑料顆粒、染色塑料顆粒解決方案
熱門關鍵詞: 無鹵阻燃PC/ABS PC/ABS合金 染色ABS塑料 中新華美塑料
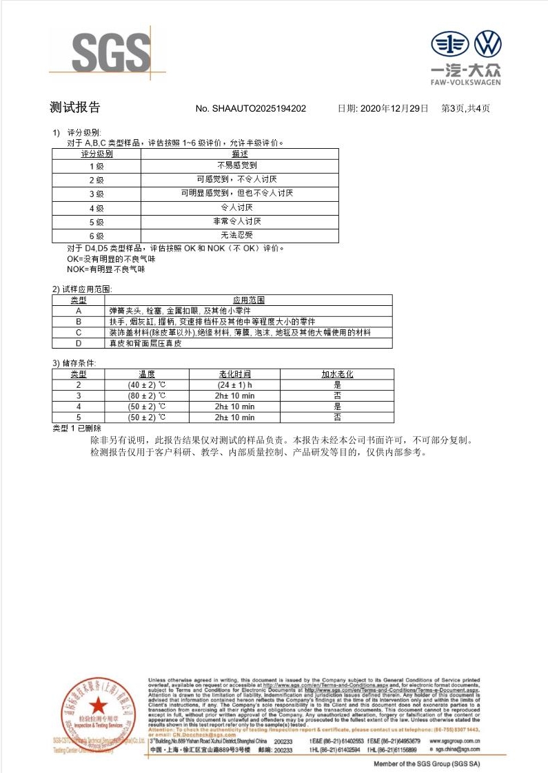
低氣味汽車內飾專用改性PP測試報告
青島中新華美塑料有限公司 版權所有 百度統計 電話:400-606-8757 傳真:0532-87862477 郵箱:qdhm@qdzxhm.com.cn 地址:山東省青島市城陽區城陽街道小寨子社區北5000米(西城匯社區橋北)/城陽區西城匯工業園 魯公網安備 37021402000383號魯ICP備12022268號-1
掃一掃關注微信
掃描進入手機站
在線咨詢
電話
在線留言
微信掃一掃
返回頂部